1Introduction
The injection molding process is generally divided into the following steps: clamping → injection and holding pressure→ melt glue feeding → cooling and setting→ mold opening thimble.The completion of each action requires the precise coordination of several parameters such as time, pressure, speed, and position. That is to say, the displacement at a certain position has corresponding pressure and speed, and the pressure and speed are variable at different positions and times.At the same time, after each action is completed, a termination signal is sent to the program controller, and the program controller only issues an instruction to perform the next action after receiving the signal.In addition, the injection molding machine system itself still has some weaknesses:
(1) There is a very violent mutation process inside the operation of the injection molding machine: for example, during the clamping process, the working conditions of fast clamping → slow low-pressure mold protection → high-pressure high-speed clamping are very violent: another example is the injection process, slow injection → fast → slow → fast→ slow glue injection process working conditions are also very severe, the impact on the machine is very large, affecting the life of the entire injection molding system.
(2) The action of the oil circuit brake does not reach the accuracy of the design. The opening and closing of the oil circuit brake depends on the solenoid valve, and the action of the solenoid valve depends on the voltage and current provided by the process controller. Because most injection molding machines do not have endless cycle control, the opening and closing accuracy of the valve will be greatly reduced, especially when the degree of valve opening and closing is below 10% and above 90%, it is difficult for a certain action to be performed in this state to ensure its stability and repeatability.
(3) The oil cylinder performing the action itself has damaged oil seals and internal leakage, and the reliability and stability of the execution action are not high.This is because most of the time, the actual fuel consumption of the load is less than the oil supply of the oil pump, causing part of the hydraulic oil in the high-pressure state to overflow through the relief valve, proportional valve and other hydraulic components.Not only did the overflow part not do any useful work, but it also generated heat, causing the hydraulic oil to heat up, which was both energy-consuming and harmful.Using the frequency conversion operation of the injection molding machine, these problems can be solved well, which not only improves the accuracy and stability of the entire injection molding system, reduces huge mechanical losses, extends the service life of the system, and saves a lot of electrical energy.
2Principle of frequency conversion and energy saving of injection molding machine
For the plastic products industry, power consumption is the main part of its production cost, and injection molding machines are one of the main energy-consuming equipment in plastic products factories. Therefore, reducing the energy consumption of injection molding machines has become an effective way for the injection molding industry to reduce costs and improve product competitiveness.
Traditional injection molding machines use quantitative pumps for oil supply, and each action of the injection molding process has different speed and pressure requirements. It uses overflow adjustment through the proportional valve of the injection molding machine to bypass the excess oil and flow back to the fuel tank. In the whole process, the speed of the motor is constant, so the oil supply is also fixed, and because the execution action is interstitial, it is not possible to be at full load, so there is a lot of wasted space for quantitative oil supply, which is at least 50% according to actual measurements.Frequency conversion and energy saving are aimed at this waste of space. The proportional pressure and proportional flow signals from the CNC system of the injection molding machine are detected in real time, and the motor speed required for the operation of each working condition (that is, flow adjustment) is adjusted in a timely manner, so that the pumped flow and pressure just meet the needs of the system, and in the non-operating state (mainly the cooling state), let the motor stop running, so that the energy-saving space is further increased, so the frequency conversion and energy-saving transformation of the injection molding machine can bring huge energy-saving effects.

The schematic diagram of the frequency conversion transformation of the injection molding machine is shown in Figure 1.
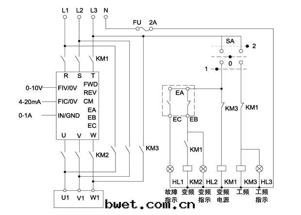
The electrical schematic diagram of the Q9000 injection molding machine frequency conversion and energy saving is shown in Figure 2.As can be seen from the figure, the power frequency and frequency conversion sa and km3 and km1 are electrically interlocked to ensure that the power frequency operation and frequency conversion operation cannot be carried out at the same time, and to protect the safe operation of the system; when the selection switch sa is in the middle position, that is, at 0 gear, the circuit does not work; sa turns to the left, that is, at 1 gear, km1 gets power (frequency conversion operation indicator light h12 is on), its normally closed auxiliary contacts are disconnected first, and the power frequency control loop is cut off.km1 is normally open and the auxiliary contact is closed, and km2 is electrically absorbed.The main contacts of km1 and km2 are closed one after another, and the main circuit of the inverter is connected.At this time, if there is an operating signal, as shown in Figure 3, the original system star triangle starts and switches, and the control line is selected to frequency conversion operation, that is, the km2 coil gets power, then the fwm-com is closed, the inverter is running, and the injection molding machine starts to work.According to the pressure and flow signals given by the computer board of the injection molding machine, the inverter outputs different frequencies and adjusts the motor speed after internal processing, namely: the output power is automatically tracked and controlled synchronously with the pressure and flow, so it can greatly reduce the vibration of mold closing and mold opening, stabilize the production process, improve product quality, reduce mechanical failures, and extend the service life of the machine.

Figure 2 Injection molding machine Q9000 frequency conversion energy-saving electrical schematic diagram

Figure 3 Inverter operating signal
When an abnormality is detected, EA-EB disconnects and cuts off the output signal and output loop of the inverter.After EA-EC is closed, the h11 fault indicator light is on.After troubleshooting, press the inverter fault reset button to continue working.When the sa is converted to the right, the power frequency runs, that is, it is the same as when the original system is working, to ensure that when the inverter is abnormal, it will not affect production.The description of the relevant functional terminals of the inverter is shown in Table 1, and the description of the relevant parameters used is shown in Table 2.
Table 1 Description of the relevant functional terminals of the inverter
Category | Terminal label | Function description |
Run | FWD | Forward when shorted between FWD-COM, slow down and stop when open |
COM | Ground terminal of 24VDC power supply | |
Fault output | EA EB EC | The fault output terminal detects the action of the inverter protection function, and the inverter is normal.: TA-TB is closed, TA-TC is disconnected; when the inverter is protected due to failure, the operation: TA-TB disconnected, TA-TC closed. |
Injection molding machine terminal | IA/GND | 0~1A current signal input |
FIV/VB | ±10V voltage signal input | |
FIC | 4-20mA current signal input | |
OV | The reference ground terminal of the voltage input FIV and the current input FIC |
Table 2 Functional parameters
Function code | Name | Set |
11-02 | Control mode selection | 11-02=2(Open loop vector) |
21-01 | Frequency selection | 21-01=1(Special for injection molding machine) |
21-02 | Operation command selection | 21-02=1(External terminal control. Combination setting) |
21-03 | Stop method selection | 21-03=1(Free stop) |
21-04 | Reverse disable selection | 21-04=1(Reversal is prohibited) |
31-01 | Acceleration time 1 | 31-01 31-01=3 |
31-02 | Deceleration time 1 | 31-02=1 |
36-01 | Carrier time | 36-01=4 |
51-04 | Upper limit frequency | 51-04=4042 |
T3-02 | Terminal F2V input gain | T3-02=150% |
T3-03 | Terminal F2V input bias | T3-02=5% |
T3-10 | Terminal F2V input gain | T3-10=100% |
T3-11 | Terminal F2V input bias | T3-11=0% |
3.Q9000-C series inverter features
The 9000-C series inverter is a special inverter suitable for energy-saving and automation transformation of injection molding machines. It adopts excellent control strategy to make it have a fast dynamic response, advanced current limiting technology and hardware optimization design, so that the product has super overload capacity, which can ensure that the inverter does not trip in the case of frequent load fluctuations.Has the following characteristics:
(1) High reliability
Perfect reliability design scheme: such as redundancy design, derating design, etc., all components are made of industrial or military grade, and all key components are made of imported components, such as Youpai ipm module, NCC capacitor, SANREX rectifier bridge, etc.All key circuits use highly integrated thick ics to ensure the reliability of the whole machine;
(2) High power saving rate
The original control method of the injection molding machine, the oil circuit remains unchanged, and advanced microcomputer control technology is used to turn the quantitative pump into an energy-saving variable pump. The hydraulic system of the injection molding machine matches the power required for the operation of the whole machine, and there is no loss of high-pressure throttling and overflow energy. Increase the power factor of the oil pump motor to more than 0.96, and the power saving rate can generally reach 25%~65%, and all investment can be recovered in 6~12 months.
(3) Soft start
Compared with the power frequency start-up method, the use of frequency converter control can reduce the vibration of the unlocking film and extend the service life of the mold. At the same time, the heat generation of the system is reduced, the oil temperature is stable, and the service life of the hydraulic system is extended, saving users maintenance costs. Due to stable operation, the quality and stability of plastic products have been greatly improved.
(4) Super overload capacity and dynamic response speed
The Q9000-C series inverter adopts advanced control algorithm and unique current limiting technology to ensure that during the injection molding process, it can withstand the impact of heavy starting and stopping loads without tripping to ensure the continuity of the production process.The high-speed dynamic response minimizes the delay in the product forming cycle.
(5) Perfect emc design
The Q9000-C series inverter adopts a complete emc design scheme, optimized internal layout design, and adopts a variety of emi countermeasures to ensure that the interference to the electrical system of the injection molding machine is minimized and the stability of its work is guaranteed.
4.Injection molding machine case inverter energy-saving transformation case
(1) Company name: A certain Plastic Co., Ltd. in Guangzhou
(2) The purpose of energy-saving transformation of injection molding machine converters: With the increasingly fierce competition from all walks of life in society, energy conservation has been generally recognized and accepted as an important means for enterprises to increase efficiency and reduce consumption, reduce operating costs, and improve competitiveness.In the highly competitive injection molding industry, there are the following characteristics:
·The main operating costs of an enterprise are employees' wages and electricity bills;
·Due to competition between enterprises, the processing costs of plastic parts are getting less and less, and the electricity bill accounts for more and more costs.;
·Saving electricity bills, reducing costs, and improving the competitiveness of enterprises are the concerns of many operators in the industry.;
(3) Modified injection molding machine model: Ningbo htf150
(4) Motor power of injection molding machine: 15KW
(5) Renovation workshop: Injection molding workshop on the first floor
(6) Renovation time: 2003/09/02
(7) The person in charge of the manufacturer's participation: Director Liu, Li Gong
(8) Production of injection molded parts: power plug
(9) Molding cycle: 32s
(10) Test equipment: three-phase four-wire energy meter
(11) Test time: September 02, 2008
(12) Test results: power saving rate 48%
Table 3 Power frequency operating output and power consumption
Power frequency operation output and power consumption | Power frequency operation output and power consumption | ||||||||
Time | Number of products | Output | Number of meter readings | Difference | Time | Number of products | Output | Number of meter readings | Difference |
20:50 | 7217 | 199.2 | 10:00 | 6658 | 143 | ||||
04:50 | 7640 | 423 | 279.6 | 80.4 | 18:00 | 7077 | 419 | 184.2 | 41.2 |
From the analysis in Table 3, it can be seen that the average one-hour electricity consumption during power frequency operation is 10kwh; the average one-hour electricity consumption during frequency conversion and energy-saving operation is 5.2kwh, with an energy-saving rate of 48%, and the efficiency remains basically the same: the electricity bill in Guangzhou is 0.82 yuan per degree, and the plastic products factory produces continuously for 24 hours, if calculated based on 30 days of work per month.Then there is:
·When the power frequency is running, the electricity bill/month=10*24*30*0.82 =5904 yuan:
·When the frequency conversion and power saving are running, the electricity bill/month=5.2*24*30*0.82 =3070 yuan:
·Save 2834 yuan in electricity bills per month.
Customers can recover the cost in about half a year.
5.Testing after energy-saving transformation
In general, the energy-saving effect is certain, the energy-saving rate is 25%-60%, and the operation is stable and reliable.
(1) Comparison of industrial frequency conversion
Make a comparison without changing the parameters of the injection molding machine and the inverter: there is no effect on the quality of the injection molded products, and the cycle will be 0.3~1.2S slower when the inverter is working (the greater the power of the inverter, the more complex the product working conditions, and the cycle will increase accordingly). In terms of injection stability and repeatability, the frequency conversion condition is more stable than the power frequency state, because the pressure and temperature of the injection molding machine can be reduced to about 35~40℃ under the frequency conversion condition.The oil temperature under this condition can best ensure the repeatability and stability of the hydraulic actuators, and the service life of the pressure oil will be extended. It also reduces the load on the central water transportation system, and the oil temperature is reduced by 15~18℃ in the power frequency state.
(2) Increased the installed capacity of the power system
The power system itself reserves a certain amount of capacity for the start-up of power-consuming facilities. Under power frequency conditions, the motor is started with a star triangle step-down delay. This starting current is 4 to 7 times the rated current of the motor. If multiple high-power motors start at the same time, it will cause a great impact on the power grid.In order to withstand the impact of motor starting, the capacity of the system can only be increased. Therefore, the previous capacitance is very large. When frequency conversion is used, the motor starting is a soft start. It only needs to be started at the rated current, and the starting is smooth and impact-free. This can reduce the impact on the motor and the power grid during starting, and from another point of view, it can be regarded as increasing the installed capacity of the system.
(3) It has a strong protection function when working in the frequency conversion state:
The protection of the inverter can be understood from the following three aspects; first, it can protect the inverter itself; second, it can protect the motor; and third, it can protect the injection molding machine from incorrect operation.Under this protection function, the injection molding machine can be guaranteed to work at the standard system pressure and system speed. If the pressure and speed required for the action performed exceed the system pressure and speed, the inverter will enter a protective state at this time. For example, the glue is forcibly melted before the melting temperature is reached. Due to the overload of the injection molding machine, the inverter will be protected by constant speed overcurrent. In the power frequency state, the injection molding machine can use powerful power to break the rocket head, barrel, screw, or damage the hydraulic motor for melting glue.Another example is that a clamping pressure of more than 140bar forces a high-voltage clamping force. The inverter will protect the execution of the clamping force of more than 140bar, and there will also be constant-speed overcurrent. At the power frequency, the clamping force can be greatly increased, so that the mechanical system will be dealt a fatal blow.If the pressure and speed required to perform all actions are guaranteed to be within the standard system pressure and speed, the inverter will not be frequently protected, which is also of great benefit to the injection molding machine itself.
(4) In the frequency conversion state, because the speed of the motor changes drastically with different operating requirements, the average speed of the motor will be reduced by more than half, and the displacement of the motor cooling fan is directly related to the speed of the motor, so the effect of heat dissipation will be reduced, and the motor temperature will increase by 10-13℃ compared to the power frequency state, and the motor temperature will rise to about 55℃.